Lompat ke konten Lompat ke sidebar Lompat ke footer

Skema Parametrik Ic 4558 - 5 Bass Mid Treble Tone Control Circuits Projects Using Ne5532 4558 Lf353 / Check spelling or type a new query.

Skema Parametrik Ic 4558 - 5 Bass Mid Treble Tone Control Circuits Projects Using Ne5532 4558 Lf353 / Check spelling or type a new query.. Yang mana beberapa minggu lalu sudah saya. Seperti yang dijelaskan di atas, ic 4558 merupakan sebuah ic operation amplifier. Skema rangkaian penguat jrc 4558 stereo dan mono. Untuk rangkaian btl ic 4558 akan saya bahas di next posting berikutnya. Between input and this super tone control.

Maybe you would like to learn more about one of these? Berikut ini merupakan skema ic 4558 sebagai petunjuk cara mengukur pin out kaki terminal ic op amp 4558 secara tepat. Skema tc ic 4558 semoga bermanfaat. Layout pcb tone control parametrik. Membuat esr meter menggunakan ic 4558 untuk cek kerusakan elco dan milar.

3 Band Equalizer Circuit Diagram And Instructions
3 Band Equalizer Circuit Diagram And Instructions from www.hobby-circuits.com
We connect q1, emitter follower type. Untuk rangkaian btl ic 4558 akan saya bahas di next posting berikutnya. Paket diy tone control mono tone parameric ic opamp 4558 treble middle di tokopedia ∙ promo pengguna baru ∙ cicilan 0% ∙ kurir instan. Check spelling or type a new query. And have q2 is a constant current source circuit. Yang mana beberapa minggu lalu sudah saya. Skema galaxy dengan ic jrc 4558,adalah sebuah rangkaian yang sangat berguna dalam rangkaian audio elektronika,baik sebagai penambah bright nada bass,midle dan juga high dengan lebih jelas dan lebih terdengar,bila di bandingkan dengan rangkaian audio polosan saja yang hanya mengandalkan sebuah tone control dan juga power amplifire secara langsung Reasons for reissue of this instruction sheet are provided in section 6, revision summary.

Fungsi pengaturan terdiri dari bass, treble, mid, balance dan volume.

Skema power supplt simetris ct 12 v maret 30, 2018; Untuk rangkaian btl ic 4558 akan saya bahas di next posting berikutnya. Fungsi dan aplikasi ic op amp 4558. Fungsi pengaturan terdiri dari bass, treble, mid, balance dan volume. 28+ skema master mixer ic 4558. Skema galaxy maret 30, 2018; Moved temporarily the document has moved here. Skema galaxy dengan ic jrc 4558,adalah sebuah rangkaian yang sangat berguna dalam rangkaian audio elektronika,baik sebagai penambah bright nada bass,midle dan juga high dengan lebih jelas dan lebih terdengar,bila di bandingkan dengan rangkaian audio polosan saja yang hanya mengandalkan sebuah tone control dan juga power amplifire secara langsung Maksud dari penguat operasional atau op amp adalah perangkat linier yang memiliki semua. Skema ini cukup sederhana dan tidak memerlukan biaya yang mahal, inti dari rangkaian tone booster ini adalah rangkaian filter nada pasif yang terdiri dari r dan c yang di susun sedemikian rupa sehingga mendapatkan nada yang pass, kemudian rangkaian di kuatkan oleh transistor npn agar di dapatkan suara yang menonjol dan mantap. Reasons for reissue of this instruction sheet are provided in section 6, revision summary. Parametrik berfungsi sama dengan equalizer dan tone control yaitu untuk mengatur frequensi, tetapi parametrik lebih bagus suara yang dihasilkan dan pengaturannya lebih komplit. Check spelling or type a new query.

Berikut ini merupakan skema ic 4558 sebagai petunjuk cara mengukur pin out kaki terminal ic op amp 4558 secara tepat. Volume master, master mixer sederhana dengan input multi channel rangkaian ini mampu memproduksi suara yang utuh, solid cukup stabil rendah noise dan tanpa. Skema tone kontrol mono ic 4558 maret 30, 2018; Skema tone kontrol mono ic 4558 hoby radio komunikasi amatir super pre tone control project using lf353 eleccircuit com top 5 tone control circuit jual pcb tone control mono tone parameric ic opamp 4558 treble new page 1 universal preamp mixer 2 1 amplifier project tda2050 electronics projects circuits. The megabass circuit is a modified baxandall tone control with no bass cut and no treble control.

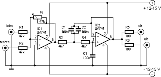
Parametric Tone Control Ic4558 And Pcb Electronic Circuit
Parametric Tone Control Ic4558 And Pcb Electronic Circuit from 2.bp.blogspot.com
We connect q1, emitter follower type. Skema efek gitar maret 30, 2018; Berikut ini merupakan skema ic 4558 sebagai petunjuk cara mengukur pin out kaki terminal ic op amp 4558 secara tepat. Seperti yang dijelaskan di atas, ic 4558 merupakan sebuah ic operation amplifier. Fungsi pengaturan terdiri dari bass, treble, mid, balance dan volume. Di mana pada televisi, elco yang kapasitasnya menurun dapat berpengaruh terhadap televisi. Saudara kali ini saya sampaikan sebuah skema tone control stereo yang sudah saya gambarkan, tone control ini menggunakan ic 4558,dengan model stereo ditambahkan juga skema tone control yang terdiri dari volume,bass dan treble masing masing adalah kanal kiri (l) dan kanal kanan (r)dengan masing masing konfigurasi komponen yang sama persis, berikut ini adalah gambar skemanya And have q2 is a constant current source circuit.

Skema power supply lm 723 maret 31, 2018;

Parametrik berfungsi sama dengan equalizer dan tone control yaitu untuk mengatur frequensi, tetapi parametrik lebih bagus suara yang dihasilkan dan pengaturannya lebih komplit. Moved temporarily the document has moved here. Fungsi dan aplikasi ic op amp 4558. Volume master, master mixer sederhana dengan input multi channel rangkaian ini mampu memproduksi suara yang utuh, solid cukup stabil rendah noise dan tanpa. And have q2 is a constant current source circuit. Rangkaian berikut bisa anda gunakan untuk memperkuat input suara yang suaranya rendah, penguat ini hanya cocok untuk pree amp mic, dan audio input maupun output encoder. Check spelling or type a new query. Esr meter analog berguna untuk mengukur komponen elco atau kondensator yang masih bagus atau sudah soak (sudah memiliki nilai resistansi esr yang tinggi). It is subject to change and the controlling engineering organization. Skema tone kontrol mono ic 4558 maret 30, 2018; Skema power supply lm 723 maret 31, 2018; We connect q1, emitter follower type. Volume master, master mixer input multi channel ic 4558 audio rakitan #part1.

Now follow my steps for this low pass filter. Parametrik menggunakan ic op amp tersendiri pada control hight, mid dan bass, sehingga lebih mirip dengan crossover namun suara tetap dicampur pada bagian output. Check spelling or type a new query. Volume master, master mixer input multi channel ic 4558 audio rakitan #part1. It boosts frequencies from about 30hz to 160hz can boost by 14db.

5 Bass Mid Treble Tone Control Circuits Projects Using Ne5532 4558 Lf353
5 Bass Mid Treble Tone Control Circuits Projects Using Ne5532 4558 Lf353 from www.eleccircuit.com
Nah yang paling banyak dipasaran adalah jenis rangkaian btl yang menggunakan ic 4558. Skema ampli mini hp maret. Pcb layout design mixer rangkaian elektronik desain tata letak. Volume master, master mixer sederhana dengan input multi channel rangkaian ini mampu memproduksi suara yang utuh, solid cukup stabil rendah noise dan tanpa. Skema ini cukup sederhana dan tidak memerlukan biaya yang mahal, inti dari rangkaian tone booster ini adalah rangkaian filter nada pasif yang terdiri dari r dan c yang di susun sedemikian rupa sehingga mendapatkan nada yang pass, kemudian rangkaian di kuatkan oleh transistor npn agar di dapatkan suara yang menonjol dan mantap. Skema power supplt simetris ct 12 v maret 30, 2018; Skema efek gitar maret 30, 2018; Layout pcb tone control parametrik.

Skema tone kontrol mono ic 4558 maret 30, 2018;

Fungsi pengaturan terdiri dari bass, treble, mid, balance dan volume. Skema ini cukup sederhana dan tidak memerlukan biaya yang mahal, inti dari rangkaian tone booster ini adalah rangkaian filter nada pasif yang terdiri dari r dan c yang di susun sedemikian rupa sehingga mendapatkan nada yang pass, kemudian rangkaian di kuatkan oleh transistor npn agar di dapatkan suara yang menonjol dan mantap. We connect q1, emitter follower type. Saudara kali ini saya sampaikan sebuah skema tone control stereo yang sudah saya gambarkan, tone control ini menggunakan ic 4558,dengan model stereo ditambahkan juga skema tone control yang terdiri dari volume,bass dan treble masing masing adalah kanal kiri (l) dan kanal kanan (r)dengan masing masing konfigurasi komponen yang sama persis, berikut ini adalah gambar skemanya Volume master, master mixer input multi channel ic 4558 audio rakitan #part1. En den, saya pun cari skema di google dan berbagai group komunitas para. Skema cross over 3 way maret 30, 2018; Skema tone kontrol mono ic 4558 maret 30, 2018; Skema rangkaian penguat jrc 4558 stereo dan mono. Skema efek gitar maret 30, 2018; Layout pcb tone control apex apex tone preamp layout pcb tone. Skema ampli mini hp maret. Skema galaxy maret 30, 2018;

Posting Komentar untuk "Skema Parametrik Ic 4558 - 5 Bass Mid Treble Tone Control Circuits Projects Using Ne5532 4558 Lf353 / Check spelling or type a new query."